欢迎光临,岐昱专业生产:玻璃反应釜,固相多肽合成釜,分子蒸馏,旋转蒸发仪,高低温循环一体机
中文
021-59105991/13524942805

首页 > 新闻中心 > 简述:多级连续蒸馏(精馏)

简述:多级连续蒸馏(精馏)

液体混合物总分馏的基本原理是在逆流操作塔中进行多次蒸馏。

图片
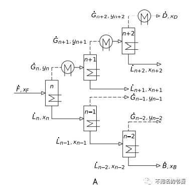
图A表示重复的单极蒸馏,称为精馏。第一次蒸馏的塔顶产物进行第二次蒸馏,其塔顶产物又进行第三次蒸馏,以此类推。第一次蒸馏的底部产物也是如此。

图片

图B所示,可以通过在单极蒸馏中开发的方法在(y,x)图表中确定每个步骤的蒸汽和液体浓度。这个过程产生纯度非常高的馏分,但它有两个较严重的缺陷:
-只有一小部分进料混合物以高浓度状态回收
-在每个阶段都会获得副产物,这些副产物通常无法进一步加工。
图片
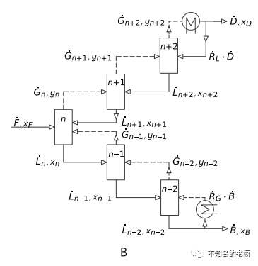
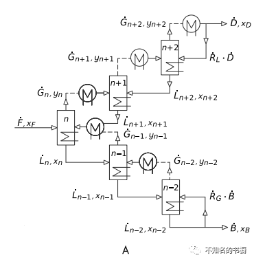
如果将每个蒸馏步骤的副产物返回前一步骤,则可以克服这两个缺点,如图A所示。这个过程可以进一步改进,因为蒸汽不需要在每个步骤前冷凝,液体也不必随后重新蒸发。
图片
蒸汽和液体直接接触如图B。事实上,每个阶段的蒸汽和液体流之间的强烈逆流接触对于提供两相之间的高传质速率很重要。
操作线和平衡线之间的距离越小,分离就越困难。通常采用两种方法来表征分离的难度:平衡阶段概念和转移单元概念(the equilibrium-stage concept and the transfer-unit concept.)。

图片

确定逆流分离效率的平衡阶段概念。

A)显示平衡阶段和相关参数的示意图:点画线标记方程式中描述的物料平衡的包络线

B)McCabe-Thiele图:每个平衡阶段的浓度和阶段数可以通过在平衡线和操作线之间的阶段确定。


--节选部分翻自《DISTILLATION Principles and Practice》与网络资料补充,仅供学习分享

图片
END


版权声明:本网站的部分资料转载自互联网,均尽力标明作者和出处。本网站转载的目的在于传递更多信息,并不意味着赞同其观点或证实其描述,本网站不对其真实性负责。如发现本站有涉嫌抄袭侵权/违法违规的内容, 请联系在线客服进行举报,一经查实,本站将立刻删除。